极速交货
30天极速交货



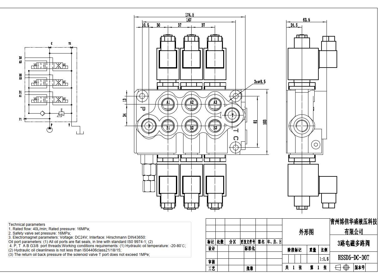
SD5 电磁式3阀芯整体式方向阀是一款专为严苛应用设计的高性能液压阀。额定流量为40升/分钟,最大压力为305巴,它提供了出色的流量控制和压力处理能力。该阀的紧凑整体式设计确保了在恶劣操作条件下的耐用性和可靠性。
| 额定流量 | 40 L/min (10.5 US gpm) |
|---|---|
| 最大压力 | 305 bar (4400 psi) |
| 进油口 | G3/8接口,G1/2接口,M18×1.5螺纹,M20×1.5螺纹,SAE 6接头,SAE 8接头,G1-1/2接口 |
| 出油口 | G3/8接口,G1/2接口,M18×1.5螺纹,M20×1.5螺纹,SAE 6接头,SAE 8接头 |
| 接口尺寸 | G3/8接口,G1/2接口,M18×1.5螺纹,M20×1.5螺纹,SAE 6接头,SAE 8接头 |
| 联数 | 1联,2联,3联,4联,5联,6联,7联 |
| 结构类型 | 整体阀 |
| 环境温度范围 | -40°C to +60°C (-40°F to +140°F) |
| 工作粘度范围 | 15 - 75 mm²/s (15 cSt to 75 cSt) |
**特点和优势:**
* 紧凑的整体式设计,经久耐用,可靠性高
* 3阀芯设计,实现多功能流量控制
* 电磁控制,操作精确灵敏
* 额定流量40升/分钟,实现高效流体处理
* 最大压力305巴,适用于严苛应用
* 适用粘度范围15 - 75 mm²/s,兼容多种流体
* 环境温度范围-40°C至+60°C,可在极端条件下运行
**应用领域:**
* 移动液压系统
* 工业机械
* 建筑设备
* 农业机械
* 物料搬运设备



