极速交货
30天极速交货



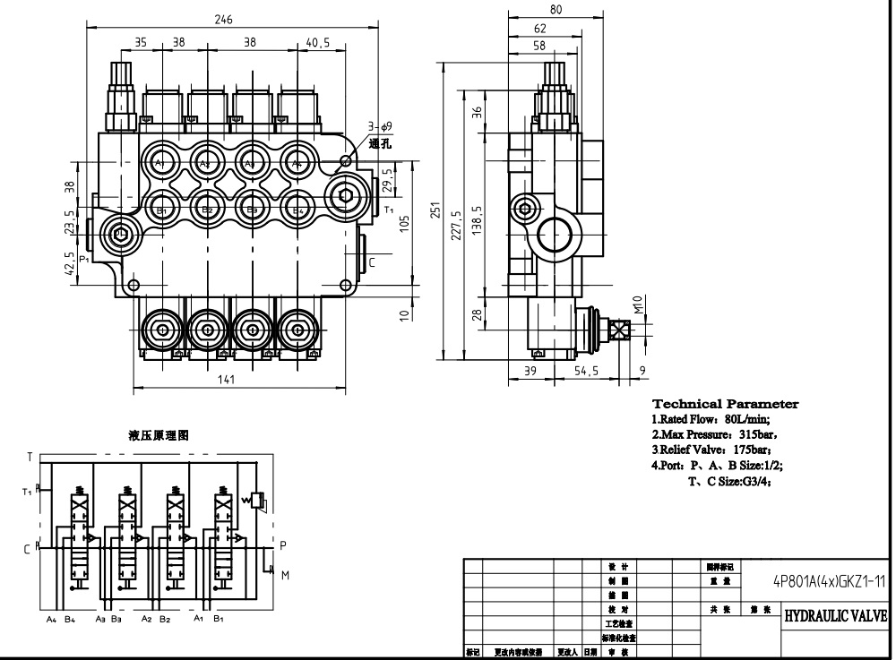
P80-G12-G34-OT 手动4联整体式方向控制阀是一款多功能、耐用的部件,专为各种液压应用而设计。该阀额定流量为 80 升/分钟 (21.2 美制加仑/分钟),最大压力为 250 巴 (3600 磅/平方英寸),能够应对要求严苛的液压系统。其紧凑的整体式设计确保了易于安装和维护。
| 接口尺寸 | G1/2接口,G3/4接口,M22×1.5螺纹,M27×2.0螺纹,SAE 10接头,1/2 NPT螺纹,3/4 NPT螺纹 |
|---|---|
| 联数 | 1联,2联,3联,4联,5联,6联,7联 |
| 环境温度范围 | -40°C to +80°C (-40°F to +176°F) |
| 工作粘度范围 | 15 - 75 mm²/s (15 cSt to 75 cSt) |
| 最大压力 | 315 bar (4600 psi) |
| 额定流量 | 80 L/min (21.2 US gpm) |
| 结构类型 | 整体阀 |
| 进油口 | G1/2接口,G3/4接口,M27×2.0螺纹,SAE 10接头,SAE 12接头,1/2 NPT螺纹,3/4 NPT螺纹 |
**产品特性与优势:**
* **紧凑的整体式设计:** 易于安装和维护
* **高流量能力 (80 升/分钟):** 适用于要求严苛的液压系统
* **高压力等级 (250 巴):** 可承受高系统压力
* **手动控制:** 精确灵敏的操作
* **宽广的运行粘度范围 (15 - 75 平方毫米/秒):** 可处理各种液压油
* **耐用结构:** 确保长使用寿命
**应用领域:**
P80-G12-G34-OT 手动4联整体式方向控制阀广泛应用于各种液压领域,包括:
* 物料搬运设备(例如叉车、伸缩臂式装载机)
* 工程机械和土方机械(例如挖掘机、装载机)
* 农业机械(例如拖拉机、收割机)
* 工业车辆(例如扫地机、垃圾压实机)



