极速交货
30天极速交货



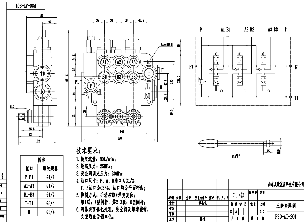
P80-G12-G34-AT-2OT 手动3联整体式方向控制阀是一款专为要求严苛的液压应用设计的大流量、高压阀。它采用手动控制方式、3联设计和整体式结构,以提高耐用性和可靠性。该阀额定流量为80升/分钟,最大压力为250巴,适用于物料搬运、建筑和土方工程、农业以及工业车辆等广泛应用。
| 接口尺寸 | G1/2接口,G3/4接口,M22×1.5螺纹,M27×2.0螺纹,SAE 10接头,1/2 NPT螺纹,3/4 NPT螺纹 |
|---|---|
| 联数 | 1联,2联,3联,4联,5联,6联,7联 |
| 环境温度范围 | -40°C to +80°C (-40°F to +176°F) |
| 工作粘度范围 | 15 - 75 mm²/s (15 cSt to 75 cSt) |
| 最大压力 | 315 bar (4600 psi) |
| 额定流量 | 80 L/min (21.2 US gpm) |
| 结构类型 | 整体阀 |
| 进油口 | G1/2接口,G3/4接口,M27×2.0螺纹,SAE 10接头,SAE 12接头,1/2 NPT螺纹,3/4 NPT螺纹 |
**产品特性与优势:**
* 80 升/分钟的大流量容量,确保高效运行
* 250 巴的高压额定值,适用于严苛应用
* 手动控制方式,实现精确和灵敏的操作
* 3联设计,可灵活控制多种液压功能
* 整体式结构,提高耐用性并减少泄漏
* 15 - 75 毫米²/秒的宽工作粘度范围,兼容各种液压油
* -40°C 至 +80°C 的宽环境温度范围,在极端条件下也能可靠运行
**应用领域:**
* 物料搬运:叉车、伸缩臂式装载机、起重机、堆垛机、高空作业平台
* 建筑和土方工程:挖掘机、滑移装载机、紧凑型轮式装载机、平地机
* 农业:拖拉机、收割机、打包机、喷雾器
* 工业车辆:扫地车、垃圾压实机、自卸装载车、钩臂式装载车



