极速交货
30天极速交货



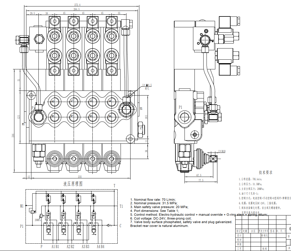
SD11-PG2是一款高性能电液4联整体式方向控制阀,额定流量为70升/分钟,额定压力为315巴。该坚固耐用的阀门非常适用于物料搬运、建筑、农业和工业车辆等广泛应用,可在严苛环境中提供可靠的控制和精确的操作。
| 额定流量 | 70 L/min (18.5 US gpm) |
|---|---|
| 最大压力 | 315 bar (4600 psi) |
| 进油口 | G3/4接口,SAE 12接头 |
| 出油口 | G3/4接口,SAE 12接头 |
| 接口尺寸 | G3/4接口,SAE 12接头 |
| 联数 | 1联,2联,3联,4联,5联,6联,7联 |
| 结构类型 | 整体阀 |
| 环境温度范围 | -40°C to +60°C (-40°F to +140°F) |
| 工作粘度范围 | 15 - 75 mm²/s (15 cSt to 75 cSt) |
SD11-PG2电液4联整体式方向控制阀是一款高性能液压控制元件,专为严苛应用而设计。其整体式结构确保了高强度和可靠性,而电液控制则提供了精确和灵敏的操作。凭借70升/分钟的额定流量和315巴的最大压力,它适用于各种移动设备。广泛的工作粘度范围(15-75平方毫米/秒)和环境温度范围(-40°C至+60°C)使其能够适应不同的操作条件。4联滑阀设计提供多功能控制功能,使其适用于各种液压回路。该阀门非常适合OEM集成到叉车、伸缩臂叉车、滑移装载机、紧凑型轮式装载机、小型挖掘机、拖拉机、收割机和打包机中。其紧凑的设计、坚固的结构和可靠的性能使其成为提高机械效率和生产力的经济高效解决方案。我们提供制造、OEM、自有品牌、定制和批发选项,并正在全球积极寻求分销商、批发商、代理商和贸易合作伙伴。



